
測量電抗器的電感選擇什么設備?全自動電容電感測試儀是在無功補償裝置專家工作組的指導下,針對變電站現場測量并聯電容器組中的單個電容器電容值時存在的問題而專門研制的,它著重解決了以下問題:
(1)現場測量單個電容器需拆除連接線,不僅工作量大而且易損壞電容器。
(2)電容表輸出電壓低而導致故障檢出率低。
(3)測量電抗器的電感。
電容電感測試儀具有測量工作量小、快捷簡便、性能穩定、測量準確、故障檢出率高等特點。此外,它的電流測量單元還可兼作CVT、避雷器等電器設備的測量之用,具有一機多能的功效。
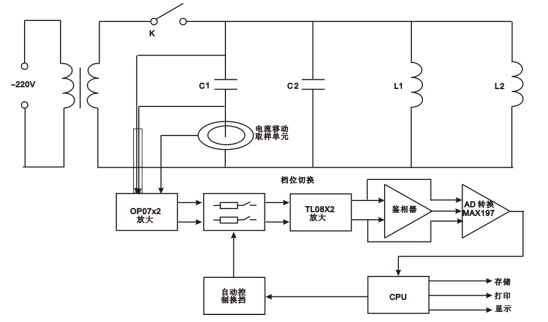
電容電感測試儀工作原理
在被測電容支路有對被測電容的電壓、電流取樣的取樣電路,取樣電路的輸出端分別接放大電路,從電壓放大電路輸出的電壓信號和從電流放大電路輸出的電流信號通過鑒相器輸出相位差信號,與電壓信號和電流信號通過A/D轉換器后,輸入CPU計算而得到被測電容值。因為采用了移動的電流取樣單元,而使得無需拆除連接線就可以直接測量電容值。
加之測量過程檔位是自動進行選擇,避免了手動操作引起的誤差,因此具有穩定性好、重復性好,準確可靠的特點。做測量電抗器的電感選擇電容電感測試儀設備。