
GIS試驗包括主回路電阻測量、元件試驗及連鎖試驗、絕緣試驗以及SF6氣體檢測試驗等。
GIS是多元件的組合電器,在完成設備組裝和導體連接后,一般在抽真空充SF6氣體之前進行主回路電阻測量,以判斷安裝質量。測得的主回路電阻值不應超過產品技術條件規定的1.2倍,否則認為接觸不良需進行處理。
因為GIS額定電流大,導體截面積大,用電橋測量一般不易發現問題,所以按DL596-1996《電力設備預防性試驗規程》的規定應采用直流壓降法測量,測試電流不小于100A或按照廠家規定。這樣即準確又易發現接觸不良的問題。
若GIS有進出線套管,可利用進出線套管注入測量電流進行測量。
若GIS接地開關導電桿與外殼絕緣,引到金屬外殼的外部以后再接地,測量時可將活動接地片打開,利用回路上的兩組接地開關導電桿關合到測量回路上進行測量;
若接地開關導電桿與外殼不能絕緣分隔時,可先測量導體與外殼的并聯電阻R0和外殼的直流電阻R1,然后按以下公式換算回路電阻R
R=(R0R1)/(R1-R0)
基于直流壓降法時,可采用直流電源、分流器和毫伏表測量回路電阻,也可采用回路電阻測試儀來進行測量。二者基本原理一致,測量時應注意接線方式帶來的誤差,電壓測量線應在電流輸出線的內側,且電壓測量線應接在主回路正確的位置,否則將產生較大的測量誤差。
在GIS母線較長、間隔較多,并且有多路進出線的情況下,應盡可能分段測量,以便有效地找到缺陷的部位。
現場測量的數據應與出廠試驗數據比較,當被測回路各相長度相同時,測得的各相數據應相同或接近。
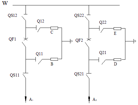
例如,圖1-1所示測量GIS的主回路電阻時,可以首先測量A1-A2之間的電阻,若三相測量數據與出廠數據差別較大或三相數據差別較大,應對測量回路分段,以找到有安裝缺陷的部件。如從B、C兩點通電測量,可以判斷斷路器QFl的接觸情況;從D、E兩點通電測量回路電阻,可以準確判斷斷路器QF2的接觸情況。
